Погружной фекальный насос Иртыш ПФ2 125/315.300-22/4-126 в СПб
+7 (921) 937-29-59 +7 (812) 327-86-01Заказать звонок
Заказать звонок

Оставьте Ваше сообщение и контактные данные и наши специалисты свяжутся с Вами в ближайшее рабочее время для решения Вашего вопроса.

Ваш телефон
Ваш телефон*
Ваше имя
Ваше имя

* - Поля, обязательные для заполнения

Сообщение отправлено
Ваше сообщение успешно отправлено. В ближайшее время с Вами свяжется наш специалист
Закрыть окно
0 Сравнение
0 Избранное
0 В корзине пока пусто

Комплексные поставки промышленного оборудования.

Каталог товаров
Наши новости
В наш каталог добавлены насосы КМ
16.03.2022 В наш каталог добавлены насосы КМ
В наш каталог добавлены насосы КМ производства НПО "Курс".
09.12.2021 Новинка по отличной цене!
На наш склад прибыли новые реечные домкраты Сибталь.
26.10.2021 Новые поступления на склад
На наш склад поступили ручные шестеренные цепные тали грузоподъемностью 2 и 5 тонн.
Подписка на новости магазина

Подпишитесь на рассылку и получайте свежие новости и акции нашего магазина.

Блог
Насосы от ГК "ПСК"
Насосы от ГК "ПСК"
Группа Компаний "Промснабкомплект" предлагает свои услуги по проектированию насосных станций и подбору насосов под любые задачи.
Грузоподъемное оборудование от ГК "ПСК"
Грузоподъемное оборудование от ГК "ПСК"
ООО "Группа компаний "Промснабкомплект" — всегда готово предоставить нашим заказчикам технологичное, современное и качественное грузоподъемное оборудование по приемлемым ценам. С помощью представленных в каталоге приспособлений для подъема и перемещения грузов вы сможете осуществлять с ними любые операции.
ОДО Предприятие Взлет
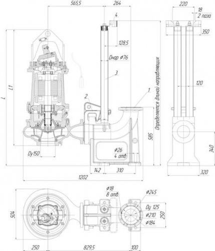
Характеристики:
Ду напорного патрубка, мм
125
Исполнение
погружной, под опускное устройство
Макс. размер перекачиваемых частиц, мм
50
Напор, м
30
Производительность, м³/ч
150
Частота вращения, об/мин
1465
Аккуратно упакуем хрупкие товары
Аккуратно упакуем хрупкие товары
Бесплатная доставка при покупке от 5 000 руб
Бесплатная доставка при покупке от 5 000 руб
Более 1 000 пунктов самовывоза по РФ
Более 1 000 пунктов самовывоза по РФ
Весь ассортимент сертифицирован
Весь ассортимент сертифицирован
Подарки при заказе от 3000 рублей
Подарки при заказе от 3000 рублей
Принимаем все способы оплаты
Принимаем все способы оплаты
Принимаем заказы на сайте круглосуточно
Принимаем заказы на сайте круглосуточно
Профессиональная помощь в подборе товаров
Профессиональная помощь в подборе товаров
Скидки постоянным покупателям
Скидки постоянным покупателям
Супер срочная доставка в течение 2х часов
Супер срочная доставка в течение 2х часов
Загрузка
Рассчитываем стоимость доставки
Пожалуйста подождите, рассчет займет немного времени

Описание товара

Насос укомплектован шкафом автоматического управления Иртыш.
Исполнение шкафа защиты, поставляемого в комплекте с насосом: автоматического управления по одному двухпозиционному выключателю.
Длина электрического кабеля - 10м
Тип уплотнения вала - торцевое
Вариант монтажа - погружной, под опускное устройство.
Рекомендуемая глубина погружения - не более 10 м

Под заказ возможны следующие варианты исполнения данного насоса:
  • взрывозащищенный
  • мобильный
  • шкаф автоматического управления
  • уличное исполнение шкафа
  • длина кабеля более 10м

Характеристики

Прочие
Бренд ОДО Предприятие Взлет
Ду напорного патрубка, мм 125
Исполнение погружной, под опускное устройство
Макс. размер перекачиваемых частиц, мм 50
Напор, м 30
Производительность, м³/ч 150
Частота вращения, об/мин 1465
Мощность двигателя, кВт 22
Напряжение питания, В 3х380
Габаритные размеры, мм 829,5х504х1202
Масса, кг 450 кг
Добавить отзыв
Ваша оценка:
Отправить отзыв

Похожие товары (8)

ПФ2 125/315.300-22/4-126
Нашли дешевле

Ваше имя
Ваш телефон*
Электронная почта
Название товара*

* - Поля, обязательные для заполнения

Сообщение отправлено
Ваше сообщение успешно отправлено. В ближайшее время с Вами свяжется наш специалист
Закрыть окно
Купить в один клик
Заполните данные для заказа
Запросить стоимость товара
Заполните данные для запроса цены
Запросить цену Запросить цену